NEWS: Erfahren Sie mehr über über unsere vielfältigen Produktionsmöglichkeiten Gummi-Metall-Schienen.

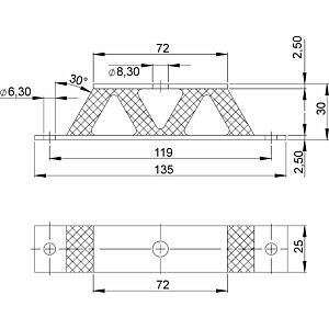
W-Element

V-Elemente und W-Elemente decken ein breites Einsatzfeld zur Lagerung von kleinen Massen bei niedrigen Eigenfrequenzen ab, wie z.B. bei empfindlichen Messgeräten und Apparaten, welche vor Schwingungen und Stößen geschützt werden sollen. Hierbei sollten die Belastungen parallel (Schub) oder senkrecht zu den Metallplatten (Druck) verlaufen, um Zugbelastungen zu vermeiden.

In absteigender Reihenfolge
Ansicht als Liste Raster

1 Artikel ausgewählt

pro Seite
  1. Breite B (mm) Höhe H (mm) Länge L1 (mm) Länge L2 (mm) Metallstärke S (mm) Metallstärke S1 (mm) Bohrungsdurchmesser d (mm) Durchm. Bohrungen d1 (mm) Bohrungsabstand c (mm)
In absteigender Reihenfolge
Ansicht als Liste Raster

1 Artikel ausgewählt

pro Seite
Suchmaschine unterstützt von ElasticSuite