NEWS: Erfahren Sie mehr über über unsere vielfältigen Produktionsmöglichkeiten Gummi-Metall-Schienen.

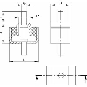
U-Lager, Ausführung 3

Wir liefern U-Lager, die besonders zur weichen Lagerung von empfindlichen Geräten und Vorrichtungen geeignet sind. Das Lager hat bauformbedingt verschiedene Steifigkeiten in drei Raumrichtungen und findet Einsatz, wenn Stoß- und Erregerkräfte möglichst klein bleiben sollen.

Einkaufen nach
Produktfilter
Breite B (mm)
Höhe H (mm)
Länge L (mm)
Länge L1 (mm)
Gewinde G (metrisch)
Gewindelänge L (mm)
In absteigender Reihenfolge
Ansicht als Liste Raster

2 Artikel ausgewählt

pro Seite
  1. Breite B (mm) Höhe H (mm) Länge L (mm) Länge L1 (mm) Gewinde G (metrisch) Gewindelänge L (mm)
  2. Breite B (mm) Höhe H (mm) Länge L (mm) Länge L1 (mm) Gewinde G (metrisch) Gewindelänge L (mm)
In absteigender Reihenfolge
Ansicht als Liste Raster

2 Artikel ausgewählt

pro Seite
Suchmaschine unterstützt von ElasticSuite