NEWS: Erfahren Sie mehr über über unsere vielfältigen Produktionsmöglichkeiten Gummi-Metall-Schienen.

Konuslager 78

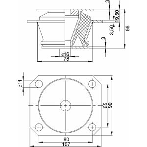
KO-LA_078

Wir liefern Konuslager, die durch die konische Konstruktion axial weich und radial sehr steif sind. Sie eignen sich hervorragend für die vibrationsarme Lagerung von z.B. Kabinen und Karosserieaufbauten. Für die Lagerung von Kolbenmaschinen können Konen einsetzt werden, welche radial in Querrichtung Aussparungen im Gummi aufweisen und deshalb unterschiedliche Steifigkeiten in Quer- und Längsrichtung haben.

In absteigender Reihenfolge
Ansicht als Liste Raster

1 Artikel ausgewählt

pro Seite
  1. Durchmesser D (mm) Breite B (mm) Höhe H (mm) Länge L (mm) Metallstärke S (mm) Metallstärke S1 (mm) Metallstärke S2 (mm) Bohrungsdurchmesser d (mm) Durchm. Bohrungen d1 (mm) Bohrungsabstand c (mm) Höhe H1 (mm)
In absteigender Reihenfolge
Ansicht als Liste Raster

1 Artikel ausgewählt

pro Seite
Suchmaschine unterstützt von ElasticSuite